Home
Top
Sitemap
Contacts
Fiat Uno Manual
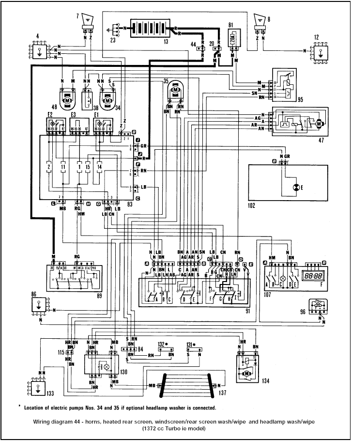
Wiring diagram 44
Wiring diagrams
/ Wiring diagram 44
Wiring diagram 44
Home
|
Top
|
Sitemap
|
Contacts
© 2026 www.fiat-uno.ru. All Rights Reserved.